Редукторы червячные одноступенчатые 2Ч-40, 2Ч-63, 2Ч-80

Червячные одноступенчатые редукторы серии 2Ч-40, 2Ч-63, 2Ч-80 служат для изменения частоты вращения в сторону уменьшения и увеличения крутящего момента. Редукторы могут иметь передаточные числа от 8 до 80 и передавать момент от 27 до 230 Нм. Одинаковое расстояние между осями отверстий в приливах позволяет с помощью лап менять пространственное положение редуктора в соответствии с вариантами расположения червячной пары. Редукторы применяются с лапами и без лап. Выходные концы червячных валов цилиндрические. Редукторы могут работать при шести различных расположениях червячной пары в пространстве. В зависимости от взаимного расположения выходных концов валов редукторы изготовляются по вариантам сборки 51, 52, 53 и 56 в соответствии с ГОСТ 20373—74. Температура масла в корпусе редуктора допускается не более 95 °С. Во избежание течи масла посадочные места крышек подшипников в редукторах 2Ч-40, 2Ч-63, 2Ч-80 уплотнены кольцами (ГОСТ 9833—73).
Цена: от 5 580 руб.
УСЛОВИЯ ПРИМЕНЕНИЯ РЕДУКТОРОВ:
- нагрузка постоянная и переменная, одного направления и реверсивная;
- работа с периодическими остановками и длительная до 24 часов в сутки;
- вращение валов в любую сторону;
- частота вращения входного вала не более 1800 об/мин;
- атмосфера типа I и II по ГОСТ 15150-69 при запыленности воздуха не более 10 мг/м3 ;
- климатические исполнения У,Т для категорий размещения 1-3 и климатические исполнения УХЛ и О для категорий размещения 4 по ГОСТ 15150-69.
Общее описание:

РИС 1.
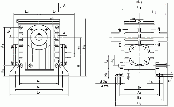
Габаритные и присоединительные размеры
| Типоразмер редуктора | aw | A1 | A2 | A3 | A4 | B1 | B2 | B3 | B4 | H | H1 | H2 | H3 | H4 |
|---|---|---|---|---|---|---|---|---|---|---|---|---|---|---|
| 2Ч40 | 40 | 150 | 140 | 35 | 105 | 100 | 164 | 182 | 120 | 72 | 180 | 55 | 30 | 37 |
| 2Ч63 | 63 | 180 | 165 | 42 | 150 | 125 | 197 | 219 | 145 | 82 | 225 | 59 | 45 | 40 |
| 2Ч80 | 80 | 225 | 185 | 50 | 180 | 140 | 212 | 250 | 165 | 92 | 267 | 75 | 50 | 42 |
| Типоразмер редуктора | H5 | L1 | L2 | L3 | L4 | L5 | b1 | b2 | d1 | d2 | d3 | d4 |
|---|---|---|---|---|---|---|---|---|---|---|---|---|
| 2Ч40 | 115 | 100 | 90 | 180 | 75 | 32 | 3 | 6 | 16 | 18 | 14,6 | М5 |
| 2Ч63 | 155 | 145 | 120 | 220 | 100 | 36 | 4 | 8 | 22 | 28 | 20,2 | М8 |
| 2Ч80 | 190 | 160 | 145 | 260 | 120 | 36 | 5 | 10 | 25 | 35 | 22,9 | М8 |
| Типоразмер редуктора | d5 | d6 | d7 | d8 | d9 | d10 | h1 | h2 | l1 | l2 | l3 | l4 | l5 | l6 |
|---|---|---|---|---|---|---|---|---|---|---|---|---|---|---|
| 2Ч40 | М5 | 10,5 | 16 | 23 | 60 | 13 | 3 | 6 | 28 | 28 | 15 | 15 | 8 | 72 |
| 2Ч63 | М8 | 10,5 | 16 | 33 | 70 | 13 | 4 | 7 | 36 | 42 | 20 | 20 | 8 | 68 |
| 2Ч80 | М8 | 12,5 | 18 | 41 | 90 | 15 | 5 | 8 | 42 | 58 | 20 | 20 | 8 | 64 |
| Типоразмер редуктора | l7 | l8 | s | t1 | t2 | эвольвентные шлицы ГОСТ 6033-80 | объем масла,л | масса,кг |
|---|---|---|---|---|---|---|---|---|
| 2Ч40 | 20 | 112 | 4 | 1,8 | 14,5 | 22х1,5х7Н | 0,18…0,3 | 6,7 |
| 2Ч63 | 20 | 108 | 5 | 2,5 | 24 | 32х1,5х8Н | 0,3…0,7 | 13,1 |
| 2Ч80 | 26 | 116 | 5 | 3 | 30 | 40х1,5х8Н | 0,5…1,0 | 18,6 |

РИС 2. Входной вал

РИС 3. Выходной вал

РИС 4. Варианты сборки редукторов

РИС 5. Варианты расположения червячной пары

РИС 6.
Варианты расположения лап по плоскост
Технические характеристики редуктора червячного 2Ч-40, 2Ч-63, 2Ч-80
| U ном. | 2Ч-40 | 2Ч-63 | 2Ч-80 | ||||||
|---|---|---|---|---|---|---|---|---|---|
| U фак. | 1500 об/мин. | U фак. | 1500 об/мин. | U фак. | 1500 об/мин. | ||||
| Мт Н.м | η | Мт Н.м | η | Мт Н.м | η | ||||
| 8 | 7,75 | 28 | 0,87 | 7,75 | 105 | 0,89 | 7,75 | 210 | 0,90 |
| 10 | 9,75 | 28 | 0,85 | 9,75 | 100 | 0,88 | 10 | 190 | 0,89 |
| 12,5 | 12,25 | 26 | 0,83 | 12,75 | 93 | 0,88 | 12,25 | 200 | 0,88 |
| 16 | 15,5 | 28 | 0,81 | 15,5 | 110 | 0,84 | 15,5 | 210 | 0,85 |
| 20 | 19,5 | 28 | 0,76 | 19,5 | 104 | 0,83 | 20 | 210 | 0,83 |
| 25 | 24,5 | 26 | 0,73 | 25,5 | 95 | 0,81 | 25,5 | 210 | 0,82 |
| 31,5 | 31 | 32 | 0,70 | 31 | 116 | 0,74 | 31 | 260 | 0,77 |
| 40 | 39 | 29 | 0,63 | 39 | 110 | 0,73 | 39 | 240 | 0,72 |
| 50 | 49 | 28 | 0,60 | 51 | 100 | 0,68 | 51 | 240 | 0,71 |
| 63 | 64 | 26 | 0,58 | 63 | 93 | 0,62 | 64 | 200 | 0,64 |
| 80 | - | - | - | 83 | 83 | 0,60 | 83 | 170 | 0,61 |
Пример условного обозначения при заказе:
Редуктор 2Ч-80-31,5-56-2-У2 С, где:
- 2Ч - тип редуктора
- 80 - межосевое расстояние
- 31,5 - номинальное передаточное число
- 56 - исполнение по варианту сборки по ГОСТ 20373-80
- 2 - исполнение по схеме расположения червячной пары
- У2 - исполнение для умеренного климата, категории размещения 2 по ГОСТ 15150-69
- С - индекс, определяющий наличие смазки "Трансол-200" в редукторе